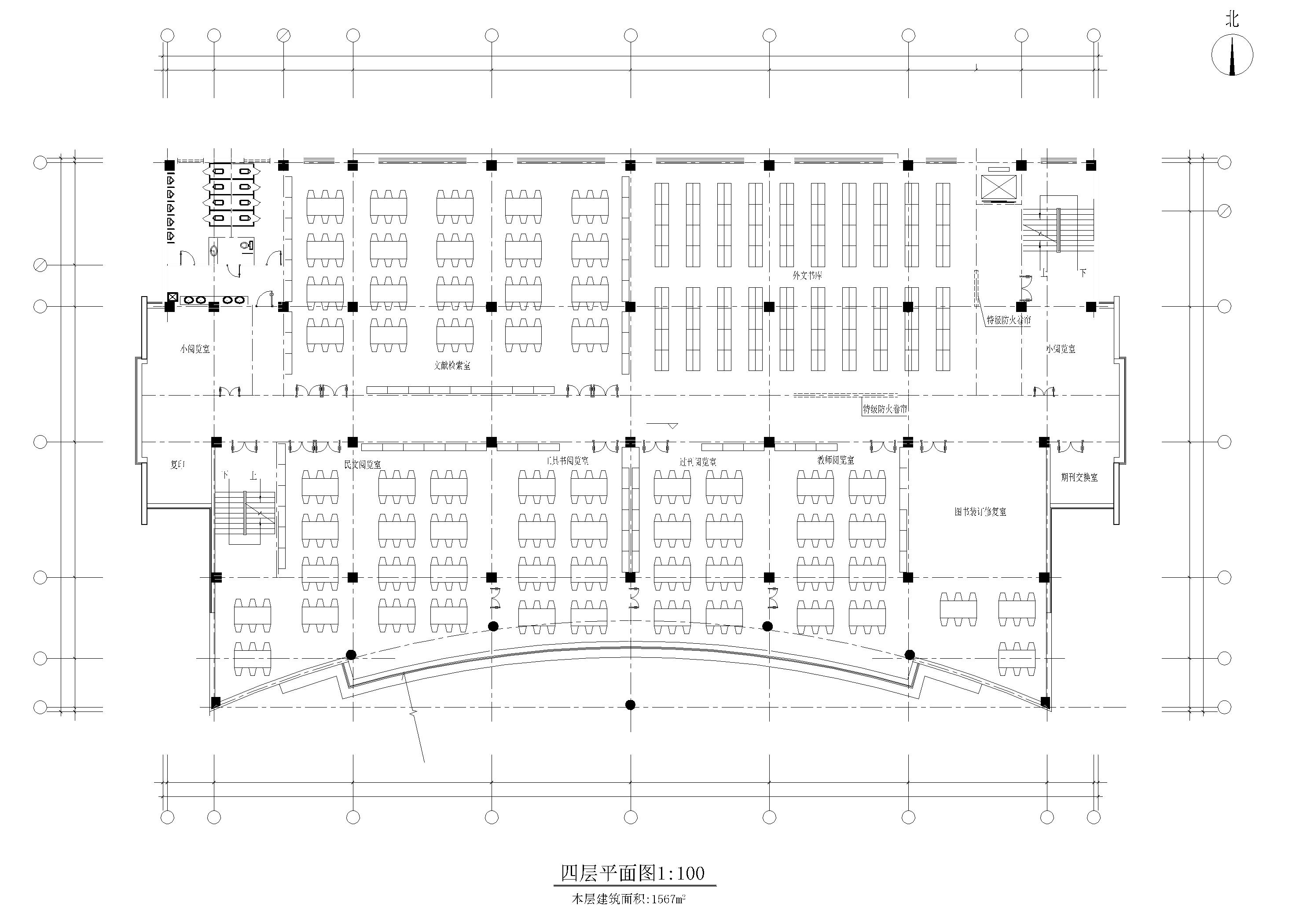
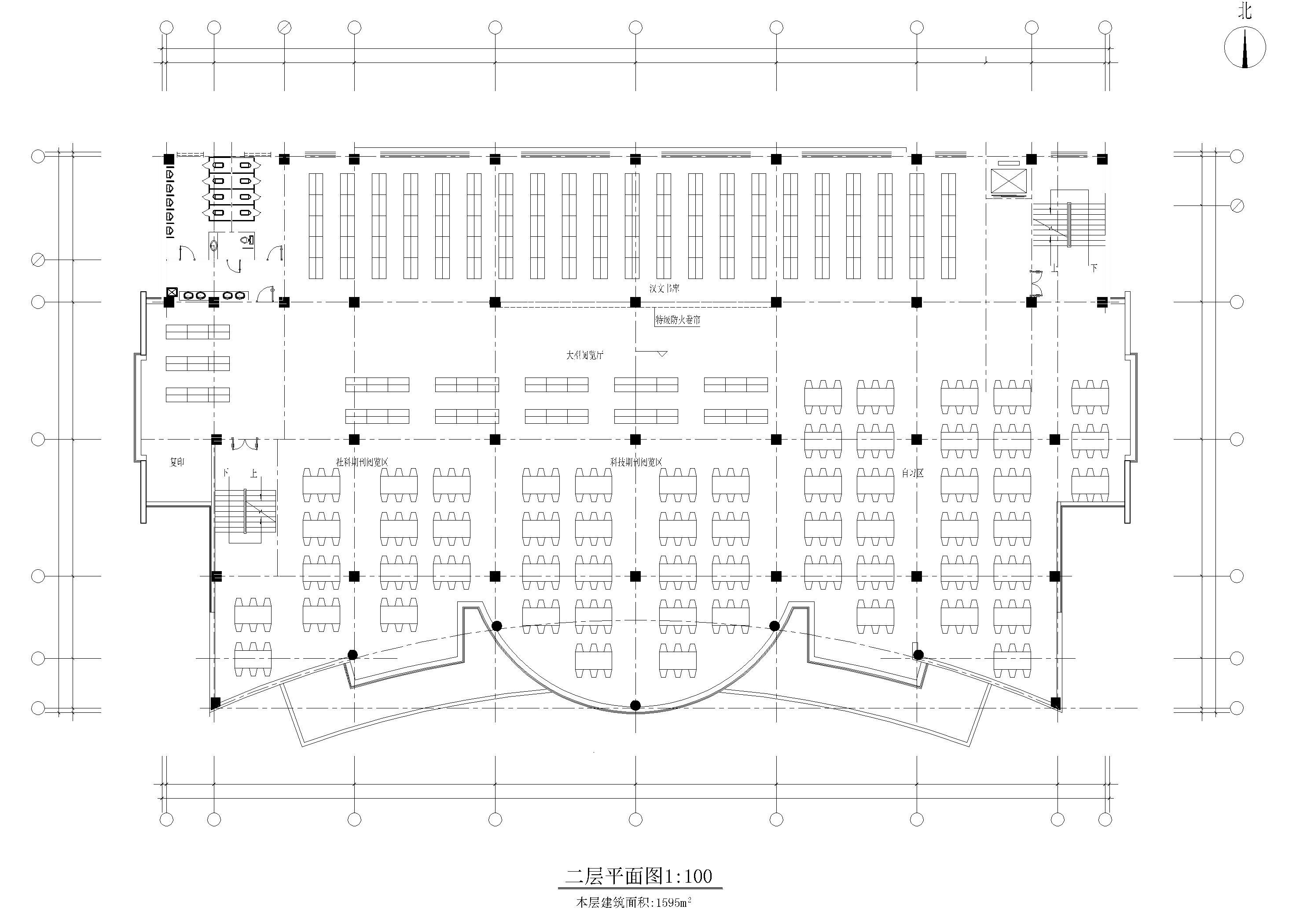
文化馆设计建筑图

2022-8-22/ CAD图纸/ 其它图库/ 只看大图 阅读模式
仅供分享不做任何商业用途,版权归原作者所有,谢谢配合。

马上注册,结交更多好友,享用更多功能,让你轻松玩转社区。

您需要 登录 才可以下载或查看,没有帐号? 注册

x
20.jpg 21.jpg 23.jpg
22.jpg

 

文化馆设计建筑图.rar

1.3 MB, 下载次数: 0

售价: 3 交易币  [购买]

精华推荐
换一换

发表评论1

文化馆设计建筑图
拓者推荐
  • 朴悦-华润小径湾-悦海白兰墅
  • 琚宾-杭州保亿观云钱塘城
  • 召禾设计-上海汤臣君品
  • CCD-华润置地南通澐璟
  • HBA&DAS-中海江南玖序
  • CCD-华润 CCBD 889㎡设计方案
  • 【召禾设计]天际江景超大平层方案
  • 【WSD世尊】建发·云启玉诸
  • CCD-华润玺宸上院中叠样板间
  • CCD-武汉绿城外滩玫瑰园别墅
  • 2025拓者年费+案例Vip会员说明!
  • 【 拓者年费--CAD图纸】
  • 【 拓者年费--户型方案】
  • 【 拓者年费--豪宅视频】
  • 【 拓者年费--灵感图库】